Special Function ICs

5 products

  • AS394-HYB Matched NPN Transistor Pair 8-Pin DIP Module (LM394)

    Alfa AS394-HYB Matched NPN Transistor Pair 8-Pin DIP Module (LM394)

    AS394-HYB (AS194-HYB) is a DIP-8 module which contains matched monolithic NPN transistor pairThe AS394 (with an order of magnitude improvement in matching over conventional transistor pair ) with improved heatsink possibility and place for mounting SMT thermosensor (2010 size).Electrical parameters - according to datasheet of AS194DE/AS394DE (See Downloads tab)Heatsink is soldered to Exposed Pad (exposed pad isolated from substrate) of AS194DE/AS394DE providing low Juntion-Ambient thermoresistance. Pins 4 and 5 of module are connected only to SMT thermosensor (2010 size). Thermosensor can be placed over heatsink, allowing good thermocontact (dielectric) to heatsink with the help of heatconductive material. Thermosensor not mounted.

    £16.56

  • Opto Isolator 6N139

    Opto Isolator 6N139

    An opto isolator that is frequently specified for MIDI interface applications. Many of the original chip manufacturers have made this obsolete but Lite-On are now manufacturing it.

    £0.64

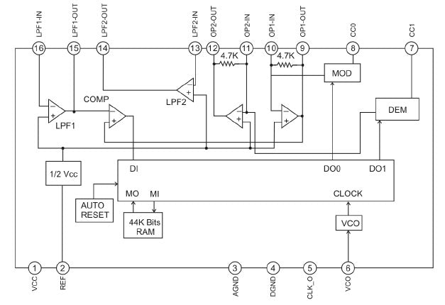
  • PT2399 Digital Echo Delay Audio Processor

    PT2399 Digital Echo Delay Audio Processor

    The PT2399 is a single chip echo processor IC utilizing CMOS technology. Which accept analogue audio input signal, a high sample rate ADC transfer the analogue signal into a bit stream then storage to internal 44Kbit RAM, after processing the bit stream will de-modulate by DAC and lowpass filter. Overall delay time is determined by internal VCO clock frequency, and user can easy to change the VCO frequency by changing the external resistance. The PT2399 performs low distortion (THD<0.5%@0.5Vrms) and low noise (No<-90dBV) characteristic for audio purpose, and pin arrangement and application circuit are optimized for easy PCB layout and cost saving advantage.

    £1.67

  • MC1496DR2G Balanced Modulator / Demodulator SOIC-14 Case

    MC1496DR2G Balanced Modulator / Demodulator SOIC-14 Case

    The MC1496DG is becoming increasingly more difficult to find in DIP form. This surface mount version is suitable for our 'ring modulators'. These devices were designed for use where the output voltage is a product of an input voltage (signal) and a switching function (carrier). Typical applications include suppressed carrier and amplitude modulation, synchronous detection, FM detection, phase detection, and chopper applications.Features• Excellent Carrier Suppression −65 dB typ @ 0.5 MHz−50 dB typ @ 10 MHz• Adjustable Gain and Signal Handling• Balanced Inputs and Outputs• High Common Mode Rejection −85 dB Typical• This Device Contains 8 Active Transistors• Pb−Free Package is Available*

    £1.04

  • Microchip MCP4922-E/P 12Bit D/A Dual SPI DAC

    Microchip MCP4922-E/P 12Bit D/A Dual SPI DAC

    The Microchip Technology Inc. MCP4922 is a 2.7 – 5.5V, low-power, low DNL, dual 12-Bit Digital-to-Analog Converter (DAC) with 2x buffered output and SPI interface.The MCP4922 DAC provides high accuracy and low noise performance for industrial applications where calibration or compensation of signals (such as temperature, pressure and humidity) are required.The MCP4922 devices utilize a resistive string architecture, with its inherent advantages of low DNL error, low ratio metric temperature coefficient and fast settling time. The MCP4922 include double buffered inputs, allowing simultaneous updates using the LDAC pin. These devices also incorporate a Power-On Reset (POR) circuit to ensure reliable power-up. Features 12-Bit Resolution ±0.2 LSB DNL (typ) ±2 LSB INL (typ) Dual Channel Rail-to-Rail Output SPI™ Interface with 20 MHz Clock Support Simultaneous Latching of the Dual DACs w/LDAC Fast Settling Time of 4.5 µs Selectable Unity or 2x Gain Output 450 kHz Multiplier Mode External VREF Input 2.7V to 5.5V Single-Supply Operation Extended Temperature Range: -40°C to +125°C 12-Bit DAC with SPI™ Interface  

    £4.56

© 2026 Sonic Synths

    • American Express
    • Apple Pay
    • Diners Club
    • Discover
    • Google Pay
    • Klarna
    • Maestro
    • Mastercard
    • PayPal
    • Shop Pay
    • Union Pay
    • Visa

    Login

    Forgot your password?

    Don't have an account yet?
    Create account